搜索
Open Menu
首页
关于中亚
返回上一级
关于我们
中亚愿景
荣誉证书
质量管理
返回上一级
管理体系
型材标准
权威认证
检验检测中心
产品中心
返回上一级
建筑型材
工业型材
装饰型材
通用型材
可持续性
返回上一级
可持续性与ESG理念
环境保护
绿色认证
全球网络
返回上一级
销售区域
合作品牌
工程案例
铝锭报价
中亚资讯
返回上一级
新闻中心
视频中心
行业资讯
信息公开
ASI公示资料
服务中心
返回上一级
联系我们
画册下载
首页
关于中亚
关于我们
中亚愿景
荣誉证书
质量管理
管理体系
型材标准
权威认证
检验检测中心
产品中心
建筑型材
工业型材
装饰型材
通用型材
可持续性
可持续性与ESG理念
环境保护
绿色认证
全球网络
销售区域
合作品牌
工程案例
铝锭报价
中亚资讯
新闻中心
视频中心
行业资讯
信息公开
ASI公示资料
服务中心
联系我们
画册下载
EN
搜索
Product Center
产品中心
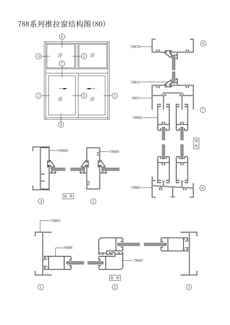
788系列推拉窗
上一篇:
55系列平开门、窗
下一篇:
B90系列穿条隔热推拉窗_s